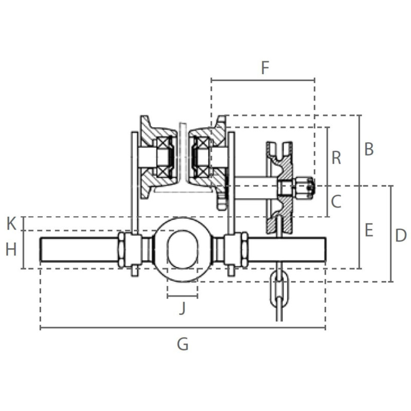
Mechanical Trolley WLL 1 to 5 T
Référence: CPPMDC-0500
Manual Geared Trolley for Hoists – 2.5 m hand chain length
- Individually adjustable with spacing discs
- Safety bars provide protection against falls, wheel breakage and impacts. Additionally equipped with anti-tilt protection
- Permanently lubricated ball bearing wheels ensure smooth and steady movement
- Suitable for most available I-beams and H-beams
- Compliant with Machinery Directive 2006/42/EC
- Supplied with inspection certificate
- EC Declaration of Conformity and user manual
| WLL(T) | Load proof (T) | Width beam (mm) | Rayon | Ø Wheel | Weight(Kg) | A | B | C | D | E | F | G | H | J | K |
|---|---|---|---|---|---|---|---|---|---|---|---|---|---|---|---|
| 0.5 | 0.625 | 50-305 | 0.5 | 55 | 8.9 | 198 | 68 | 40 | 94 | 82 | 103 | 385 | 28 | 25 | 13 |
| 1 | 1.25 | 58-305 | 0.7 | 68 | 13 | 238 | 82 | 31 | 102 | 85 | 103 | 388 | 37 | 29 | 17 |
| 2 | 2.5 | 66-305 | 0.9 | 80 | 17.8 | 277 | 95 | 31 | 119 | 99 | 103 | 405 | 48 | 36 | 20 |
| 3 | 3.75 | 74-305 | 1.2 | 100 | 29.1 | 324 | 116 | 31 | 139 | 113 | 136 | 429 | 56 | 46 | 26 |
| 5 | 6.25 | 90-305 | 1 | 120 | 46.1 | 373 | 138 | 40 | 161 | 133 | 140 | 435 | 65 | 52 | 28 |
CPPMDC-0500
Specific References
- ean13
- 8719482047046
